На информационном ресурсе применяются cookie-файлы. Оставаясь на сайте, вы подтверждаете свое согласие на их использование.
бестопливный генератор
15369
15
Появился новый герой 21 века в альтернативной энергетики, бывший архитектор, не имеющий больших знаний в электронике и электротехнике (судя по его девайсу), но всё же создавший генератор "халявы". В чем же его секрет? Может быть в том, что он осознавал всё сам, а не следовал законам физики, которые описаны в учебниках? Остаётся только догадываться... К Вашему вниманию предлагаю его интервью.
Интервью: Весь космос потенциальное поле, говорит Тариэл Капанадзе, я нашёл ключ, чем могу получить энергию, энергия есть и здесь возле нас в пространстве, просто надо его открыть, и что бы эту энергию взять, нужен импульс. Недавно 9 вольтовой батарейкой дал питание, и через некоторое время устройство начало работать, после этого оно само себе даёт питание, в рабочем режиме я смог добиться до 150 киловатт энергии, но можно этот процесс усложнить, и взять больше энергии!
- Эта коробка?
- Да. Здесь производится концентрация энергии, которую я получаю из пространства.
- Можно сказать, эту энергию получаем из воздуха?
- Это эфиродинамический процесс. В своё время Эйнштейн опровергал существование эфира, позднее учёные были вынуждены удостовериться в его существовании в пространстве, и в физике появилось новое направление - эфиродинамика. Процесс получения энергии из пространства, одно из главных в эфиродинамике.
- Значит пространство, искра и секретный метод, и можно получить альтернативную энергию. Да?
- В большой точности я ничего сказать не могу, это коммерческая тайна, да и уже много противостояний у меня, украсть идею пытались уже.
- Кто заинтересовался этим?
- Здесь (в Грузии) я никого не смог заинтересовать и пошел в Турцию, и там запатентовал свой генератор, потом с турками я подписал контракт, должны были сделать 10 мегаваттную электростанцию, начал работу, а в это время показался некто Миндели, говорит, я тоже знаю об этом секрете... Много денег и нервов ушло на борьбу с ним. Я вернулся в Грузию, А Миндели сидит в Турции и думает как из пространства получить энергию. Турки снова начали контактировать со мной, но я уже не хочу смотреть туда.
- Кроме турков никто больше не заинтересовался вашим изобретением?
- Да конечно, недавно заинтересовались европейские и западные специалисты, недавно я сделал транспортную версию моего аппарата, была презентация, которая прошла на патриаршем телевидении, на ней были 3-4 эксперта из Европы, которые удостоверились, что аппарат настоящий. У Патриарха всея Грузии есть желание, что бы это изобретение осталось в Грузии, я тоже хотел, что бы Грузия получила хорошую прибыль, но со стороны правительства внимания ноль.
- Если ваше изобретение будет внедрено, каковы будут последствия?
- В первую очередь функцию потеряет "телас" (энергоком): главный принцип такой - берёшь столько энергии сколько захочешь, каждый человек сможет это устройство установить в квартиру или в подъезде. Единственное что нужно, это электропроводка и качественные детали.
- Правительство не заинтересовалось, говорите?
- 2003 году Михаил Саакашвили с Зурабом Жвания пришли ко мне домой, весь район отключили от электричества, что бы проверить эффективность моего изобретения, я телевизор и одну лампочку включил. На второй день начались аджарские новости, а сегодня никому не интересно...
- Господин Тариэл, а по профессии Вы физик?
- Физику я только в школе учил. По профессии я архитектор, на эту дорогу меня Господь привел, когда спрашивают, как родилась идея, я отвечаю, что это не моя, а Николы Теслы, был такой сербский ученый, который в Америке жил и работал.
- Что скажите о планах на будушее?
- Недавно сотруднику компании "VESTEL" сказал, дайте по одному экземпляру техники: стиральную машину, холодильник, кондиционер и другие, и в ближайшее время верну такими, что штепсель не понадобится. Могу на подобной технике установить внутри собственное энергопитание, которое заставит работать его и работать. Так что будущие планы не от меня зависят. Через несколько дней собираюсь с Патриархом встретиться, мое желание - идея здесь остаться, но из-за границы тоже есть предложения, если здесь никто так и не заинтересуется, пойду сотрудничать с автомобильным, морским, железнодорожным воздушным транспортом, хочу лабораторию создать, сегодня век знаний и информации, если может кто победить, то это ум, а ум нам Бог дал, посмотрим что будет в будущем.
Видео демонстрации устройства представлено ниже:
Интервью: Весь космос потенциальное поле, говорит Тариэл Капанадзе, я нашёл ключ, чем могу получить энергию, энергия есть и здесь возле нас в пространстве, просто надо его открыть, и что бы эту энергию взять, нужен импульс. Недавно 9 вольтовой батарейкой дал питание, и через некоторое время устройство начало работать, после этого оно само себе даёт питание, в рабочем режиме я смог добиться до 150 киловатт энергии, но можно этот процесс усложнить, и взять больше энергии!
- Эта коробка?
- Да. Здесь производится концентрация энергии, которую я получаю из пространства.
- Можно сказать, эту энергию получаем из воздуха?
- Это эфиродинамический процесс. В своё время Эйнштейн опровергал существование эфира, позднее учёные были вынуждены удостовериться в его существовании в пространстве, и в физике появилось новое направление - эфиродинамика. Процесс получения энергии из пространства, одно из главных в эфиродинамике.
- Значит пространство, искра и секретный метод, и можно получить альтернативную энергию. Да?
- В большой точности я ничего сказать не могу, это коммерческая тайна, да и уже много противостояний у меня, украсть идею пытались уже.
- Кто заинтересовался этим?
- Здесь (в Грузии) я никого не смог заинтересовать и пошел в Турцию, и там запатентовал свой генератор, потом с турками я подписал контракт, должны были сделать 10 мегаваттную электростанцию, начал работу, а в это время показался некто Миндели, говорит, я тоже знаю об этом секрете... Много денег и нервов ушло на борьбу с ним. Я вернулся в Грузию, А Миндели сидит в Турции и думает как из пространства получить энергию. Турки снова начали контактировать со мной, но я уже не хочу смотреть туда.
- Кроме турков никто больше не заинтересовался вашим изобретением?
- Да конечно, недавно заинтересовались европейские и западные специалисты, недавно я сделал транспортную версию моего аппарата, была презентация, которая прошла на патриаршем телевидении, на ней были 3-4 эксперта из Европы, которые удостоверились, что аппарат настоящий. У Патриарха всея Грузии есть желание, что бы это изобретение осталось в Грузии, я тоже хотел, что бы Грузия получила хорошую прибыль, но со стороны правительства внимания ноль.
- Если ваше изобретение будет внедрено, каковы будут последствия?
- В первую очередь функцию потеряет "телас" (энергоком): главный принцип такой - берёшь столько энергии сколько захочешь, каждый человек сможет это устройство установить в квартиру или в подъезде. Единственное что нужно, это электропроводка и качественные детали.
- Правительство не заинтересовалось, говорите?
- 2003 году Михаил Саакашвили с Зурабом Жвания пришли ко мне домой, весь район отключили от электричества, что бы проверить эффективность моего изобретения, я телевизор и одну лампочку включил. На второй день начались аджарские новости, а сегодня никому не интересно...
- Господин Тариэл, а по профессии Вы физик?
- Физику я только в школе учил. По профессии я архитектор, на эту дорогу меня Господь привел, когда спрашивают, как родилась идея, я отвечаю, что это не моя, а Николы Теслы, был такой сербский ученый, который в Америке жил и работал.
- Что скажите о планах на будушее?
- Недавно сотруднику компании "VESTEL" сказал, дайте по одному экземпляру техники: стиральную машину, холодильник, кондиционер и другие, и в ближайшее время верну такими, что штепсель не понадобится. Могу на подобной технике установить внутри собственное энергопитание, которое заставит работать его и работать. Так что будущие планы не от меня зависят. Через несколько дней собираюсь с Патриархом встретиться, мое желание - идея здесь остаться, но из-за границы тоже есть предложения, если здесь никто так и не заинтересуется, пойду сотрудничать с автомобильным, морским, железнодорожным воздушным транспортом, хочу лабораторию создать, сегодня век знаний и информации, если может кто победить, то это ум, а ум нам Бог дал, посмотрим что будет в будущем.
Видео демонстрации устройства представлено ниже:
Очень смешно, в инете ещё много подобных "изобретений". Создавайте клонов и размещайте "сенсации". Удачи!
Вам, наверное, на Бердский форум целесообразней запостица, там счас как раз почва для таких вещей благодатная.
Ну не так чтобы совсем смешно, особливо ежели вспомнить, что уравнения Максвелла писаны исключительно под теорию эфира... более того сам Максвелл утверждал, что они НЕ полны... а ежели ещё и Тесловские "шутки" повспоминать, то совсем не смешно... а ежели ещё вспомнить переписку Тесла и Герца по поводу открытия последним электромагитных волн, где первый доказывал второму, что открытие не есть волны эфира и вроде как второй даже согласился...
Да и теории современного вакуума уж как-то сильно смахивают на старую теорию эфира...
... а ежели ещё помнить о том, что вся современная электотехника, электроника и радиотехника работает на уравнениях Максвелла и идеях Теслы... Да и сам Эйнштейн (ein stein - некий каменотес :), тоже ошибался утверждая что "Господь не играет в кости!"... играет, ещё как... это его любимая игра... одни туннельные диоды чего стоят!
По этому, и некоторым другим направлениям есть неплохой сайтик skif.biz, уж не сочтите за рекламу...
ИМХО - читать надо первоисточники, причем вдумчиво.
Да и теории современного вакуума уж как-то сильно смахивают на старую теорию эфира...

... а ежели ещё помнить о том, что вся современная электотехника, электроника и радиотехника работает на уравнениях Максвелла и идеях Теслы... Да и сам Эйнштейн (ein stein - некий каменотес :), тоже ошибался утверждая что "Господь не играет в кости!"... играет, ещё как... это его любимая игра... одни туннельные диоды чего стоят!

По этому, и некоторым другим направлениям есть неплохой сайтик skif.biz, уж не сочтите за рекламу...
ИМХО - читать надо первоисточники, причем вдумчиво.
Лично я ничего не имею против Энштейна и его теории...
В данном случае нам представлено лживое `практическое применние` таких теорий.
Это не означает, что чудес нет. Далеко ходить не стану за примером: мой сосед Петрович давно уже раскрыл тайну тёмной материи космоса и получает энергию оттуда. Сейчас завершает постройку межгалактического болида. На вопрос, будет ли патентовать изобретение, отвечает:
- Ничего патентовать не буду, улечу от вас на*** и всё!!!
В данном случае нам представлено лживое `практическое применние` таких теорий.
Это не означает, что чудес нет. Далеко ходить не стану за примером: мой сосед Петрович давно уже раскрыл тайну тёмной материи космоса и получает энергию оттуда. Сейчас завершает постройку межгалактического болида. На вопрос, будет ли патентовать изобретение, отвечает:
- Ничего патентовать не буду, улечу от вас на*** и всё!!!

Сейчас читают
Ситуация на Юго-Востоке Украины (часть 3)
316529
994
Американцы выделяют 50млн долларов на демократию в России
58721
213
Антимайдан - это стабильность?
33697
151
а можно "контур" сделать и установить его под ЛЭП и снимать с ЛЭП напругу для личных нужд.
Закона, запрещающего контурить под ЛЭП у нас нет.... да здравствует халявная энергетика
Закона, запрещающего контурить под ЛЭП у нас нет.... да здравствует халявная энергетика

Vaska2005
member
Может и бред, но для кого-то может быть это смысл жизни изобретать бред.
Очень жаль, что такая интересная тема и вдруг заглохла, что неужели перевелись на Руси Кулибины и прочий умный народ??
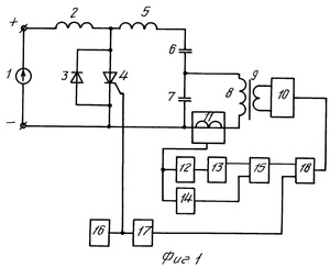
А что вы скажите по поводу этой схемы?
А что вы скажите по поводу этой схемы?
Неужели в нашем ОГРОМНОМ городе И нет любознательных по БТГ !???
Очень жаль, что такая интересная тема и вдруг заглохла, что неужели перевелись на Руси Кулибины и прочий умный народ??Какой то Малевичь от схемотехники рисовал.
А что вы скажите по поводу этой схемы?
Так вот куда полРоссии подевалось!
